1 / 5
Globally certified to C-ETL-us, SAA, TUV, VDE-AR-N 4105, VDE 0126, G83/2, CEI 021, IEC61727, EN50438. Protection class IP66, IP67.
Dimensions: 268 x 250 x 42 mm. Operating temperature: -40°F to +185°F. Natural convection cooling system.
Built-in cables and connectors. Integrated monitoring and power line communication with GFDI gateway support.
| Input | DC | |
|---|---|
| Recommended PV Module Power | 750 x 2 W |
| MPPT Voltage Range | 22-55 V |
| Max. Input Voltage | 60 V |
| Max. Input Current | 18 x 2 A |
| Output | AC | |
| Peak Output Power | 1000 VA |
| Rated Output Voltage | 230 V |
| Nominal Frequency | 50 Hz / Configurable |
| Power Factor | 1.0 (Adjustable 0.9 Leading - 0.9 Lagging) |
| THDi @ Rated Power | < 3% |
| Efficiency & General Data | |
| Peak Efficiency | 97.30% |
| MPPT Efficiency | > 99.5% |
| Protection Class | IP-67 |
| DC Connector Type | MC4 |
| Weight | 2.9 kg |
Single Phase Wiring Diagram
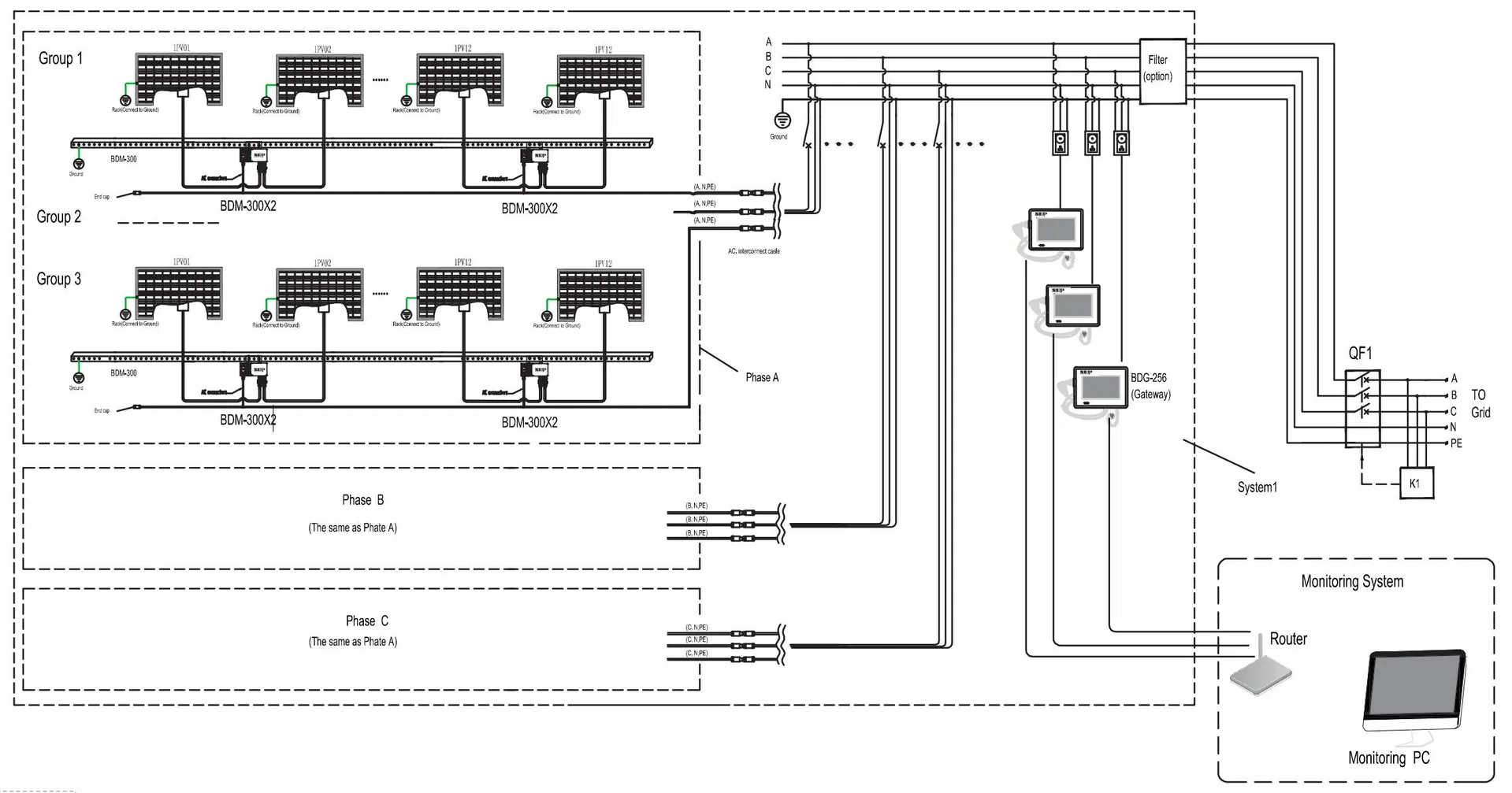
Three Phase Wiring Diagram








